詳細內容:500X安全持壓/泄壓閥用途
500X安全持壓/泄壓閥由主閥、泄壓/持壓導閥針閥、球閥、微形過濾器和壓力表組成水力控制接管系統。利用水力自動操作,即可以作泄壓閥用又可作持壓閥用。作泄壓閥用時,可維持供水路壓力在設定的安全值之下;做持壓閥用,可維持主閥上游水壓在設定值之上,保持主閥上游供水壓力。
本產品利用水力自力控制,不需要其它裝置和能源,保養簡便,一閥多用。
本系列閥門產品廣泛用于高層建筑、生活區等供水管網系統及城市供水工程。
500X安全持壓/泄壓閥工作原理
1、作泄壓閥:當泄壓/持壓導閥調整為泄壓狀態時,水通過針閥、主閥控制室、球閥A、泄壓/持壓導閥、球閥B流向出口,此時主閥處于開啟狀態。當進口壓力超過泄壓/持壓導閥設定的安全值時,泄壓導閥會自動開啟,通過球閥C放出部分水,使管路泄壓。當壓力恢復到安全值時,泄壓閥自動關閉。作泄壓閥時,各球閥常開。
2、作持壓閥:當泄壓/持壓導閥調整為持壓狀態時,只要主閥進口水壓低于導閥設定值,導閥即關閉。主要控制室升壓,主閥關閉。當主閥上游供水壓力超過導閥設定壓力時,持壓導閥才能打開,控制室的水經球閥排至出口,控制室降壓主閥開啟,開始供水,即保持了上游水壓。作持壓閥用時,球閥C常閉或用絲堵換下。
500X安全持壓/泄壓閥主要技術參數
|
公稱壓(Mpa) |
殼體試驗壓力(MPa) |
密封試驗壓力(MPa) |
適用介質 |
介質溫度(℃) |
|
1.0 |
1.5 |
1.1 |
水 |
0-80 |
|
1.6 |
2.4 |
1.76 |
|
2.5 |
3.75 |
2.75 |
500X安全持壓/泄壓閥主要零件材料
|
零件名稱 |
零件材料 |
|
閥體 閥蓋 |
WCB |
|
閥座 閥盤 |
銅合金 |
|
密封圈 O型圈 |
丁晴橡膠 |
|
閥桿 |
2Cr13 |
|
彈簧 |
50CrVA |
|
針型閥 |
銅合金 |
|
球閥 |
銅合金 |
|
浮球閥 |
銅合金 |
|
微型過濾器 |
不銹鋼 |

|
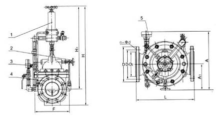
500X泄壓閥部件列表: 1、導閥2、針閥3、球閥4、主閥5、壓力表 |
500X泄壓閥連接尺寸
|
DN |
L |
A |
A1 |
H |
H1 |
F |
D mm |
D1 mm |
D2 mm |
n-Φd |
|
mm |
mm |
mm |
mm |
mm |
mm |
PN1.0 |
PN1.6 |
PN2.5 |
PN1.0 |
PN1.6 |
PN2.5 |
PN1.0 |
PN1.6 |
PN2.5 |
PN1.0 |
PN1.6 |
PN2.5 |
|
20 |
180 |
330 |
130 |
550 |
460 |
116 |
105 |
105 |
105 |
75 |
75 |
75 |
58 |
58 |
56 |
4-13.5 |
4-13.5 |
4-14 |
|
25 |
180 |
330 |
130 |
550 |
460 |
116 |
115 |
115 |
115 |
85 |
85 |
85 |
68 |
68 |
65 |
4-13.5 |
4-13.5 |
4-14 |
|
32 |
180 |
330 |
130 |
550 |
460 |
116 |
140 |
140 |
140 |
100 |
100 |
100 |
78 |
78 |
76 |
4-17.5 |
4-17.5 |
4-18 |
|
40 |
240 |
345 |
135 |
610 |
516 |
170 |
150 |
150 |
150 |
110 |
110 |
110 |
88 |
88 |
84 |
4-17.5 |
4-17.5 |
4-18 |
|
50 |
240 |
345 |
135 |
610 |
516 |
170 |
165 |
165 |
165 |
125 |
125 |
125 |
102 |
102 |
99 |
4-17.5 |
4-17.5 |
4-18 |
|
65 |
250 |
355 |
140 |
625 |
520 |
180 |
185 |
185 |
185 |
145 |
145 |
145 |
122 |
122 |
118 |
4-17.5 |
4-17.5 |
8-18 |
|
80 |
285 |
360 |
146 |
645 |
538 |
210 |
200 |
200 |
200 |
160 |
160 |
160 |
133 |
133 |
132 |
8-17.5 |
8-17.5 |
8-18 |
|
100 |
360 |
400 |
156 |
750 |
596 |
275 |
220 |
220 |
235 |
180 |
180 |
190 |
158 |
158 |
156 |
8-17.5 |
8-17.5 |
8-22 |
|
125 |
400 |
420 |
170 |
808 |
655 |
310 |
250 |
250 |
270 |
210 |
210 |
220 |
184 |
184 |
184 |
8-17.5 |
8-17.5 |
8-26 |
|
150 |
455 |
435 |
186 |
864 |
710 |
355 |
285 |
285 |
300 |
240 |
240 |
250 |
212 |
212 |
211 |
8-22 |
8-22 |
8-26 |
|
200 |
585 |
480 |
206 |
1135 |
805 |
460 |
340 |
340 |
360 |
295 |
295 |
310 |
268 |
268 |
274 |
8-22 |
12-22 |
12-26 |
|
250 |
650 |
530 |
226 |
1185 |
855 |
500 |
395 |
405 |
425 |
350 |
355 |
370 |
320 |
320 |
330 |
12-22 |
12-26 |
12-30 |
|
300 |
800 |
575 |
246 |
1325 |
955 |
580 |
445 |
460 |
485 |
400 |
410 |
430 |
370 |
370 |
389 |
12-22 |
12-26 |
16-30 |
|
350 |
860 |
620 |
275 |
1385 |
990 |
640 |
505 |
520 |
555 |
460 |
470 |
490 |
430 |
430 |
448 |
16-22 |
16-26 |
16-33 |
|
400 |
960 |
635 |
286 |
1445 |
1030 |
715 |
565 |
580 |
620 |
515 |
525 |
550 |
482 |
482 |
503 |
16-26 |
16-30 |
16-36 |
|
450 |
1075 |
665 |
320 |
1325 |
905 |
780 |
615 |
640 |
670 |
565 |
585 |
600 |
532 |
550 |
548 |
20-26 |
20-30 |
20-36 |
|
500 |
1075 |
695 |
348 |
1430 |
960 |
830 |
670 |
715 |
730 |
620 |
650 |
660 |
585 |
585 |
609 |
20-26 |
20-33 |
20-36 |
|
600 |
1230 |
720 |
372 |
1565 |
1020 |
920 |
780 |
840 |
845 |
725 |
770 |
770 |
685 |
685 |
720 |
20-30 |
20-36 |
20-39 |
|
700 |
1650 |
770 |
422 |
1755 |
1160 |
980 |
895 |
910 |
960 |
840 |
840 |
875 |
800 |
800 |
820 |
24-30 |
24-36 |
24-42 |
|
800 |
1750 |
805 |
458 |
2230 |
1515 |
1050 |
1015 |
1025 |
1085 |
950 |
950 |
990 |
905 |
905 |
928 |
24-33 |
24-39 |
24-48 |
|
500X泄壓閥安裝示意圖
|
|
 |