| 詳細內容: 產品名稱:GLY-150型量油孔
產品特點:GLY-150型量油孔為腳踏式、裝于油罐頂部,用于測量罐內油品的標高和測度及取樣等作用。帶放水管排污孔裝于輕質油罐,清掃罐時從此孔排出污泥,平時可以從此放水管排出罐內的污水。

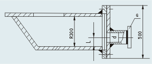
二、GLY-150型量油孔主要外形與法蘭連接尺寸:
|
規格 |
圖號 |
重量 (Kg/臺) |
安裝尺寸(毫米) |
|
d |
L |
G(法蘭PN16) |
|
DN50-A |
GLY-50 |
228 |
Ø53 |
75 |
JB81-59 |
|
DN80-B |
GLY-80B |
230 |
Ø81 |
75 |
JB81-59 |
|
DN100-C |
GLY-100C |
231 |
Ø106 |
80 |
JB81-59 |
|
DN150-D |
GLY-150D |
235 |
Ø149 |
100 |
JB81-59 |
|