詳細內容:200X法蘭減壓閥是一種利用介質自身能量來調節與控制管路壓力的智能型閥門。200X法蘭減壓閥用于生活給水消防給水及其他工業給水系統,通過調節減壓導閥,即可調節王閥的出口壓力。出口壓力不閥進口壓力、進口流量的變化而變化,安全可靠地將出口壓力維持在設定值上,并可根據需要調節設定值以達到臧壓目的。200X減壓閥減壓精確,性能穩定、安全可靠、安裝調節方便,使用壽命長。

一、200X法蘭減壓閥結構特點和用途:
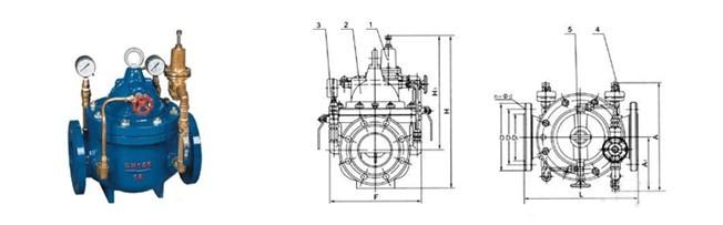
200X水用減壓閥(可調式減壓閥)由主閥、導閥、針閥、球閥、微型過濾器和壓力表組成水力控制接管系統。使用時,當調定出口壓力后,能自動保持穩定出口壓力。
200X減壓閥利用導閥自力控制,不需要其它裝置和能源,保養簡便,壓力控制準確度高,受進口壓力和流量影響小,減壓穩壓可靠。
200X減壓閥產品廣泛用于高層建筑、生活區等供水管網系統及城市供水工程。
二、200X法蘭減壓閥工作原理:
當閥門從進口端給水時,水流過針閥進入主閥控制室,出口壓力通過導管作用到導閥上。當出口壓力高于導閥彈簧設定值時,導閥關閉。控制室停止排水,此時主閥控制室內壓力升高并關閉主閥,出口壓力不再升高。
當閥門出口壓力降到導閥彈簧設定壓力時,導閥開啟,控制室向下游排水。由于導閥系統排水量大于針閥的進水量,主閥控制室壓力下降。進口壓力使主閥開啟。在穩定狀態下,控制室進水、排水相同,主閥開度不變,出口壓力穩定。調節導閥彈簧即可設定出口壓力。
三、200X法蘭減壓閥主要技術參數:
|
公稱壓力(Mpa) |
殼體試驗壓力(MPa) |
密封試驗壓力(MPa) |
最高進口壓力(MPa) |
出口可調壓力(MPa) |
適用介質 |
介質溫度(℃) |
|
1.0 |
1.5 |
1.1 |
1.0 |
0.09-0.8 |
水 |
0-80 |
|
1.6 |
2.4 |
1.76 |
1.6 |
0.10-1.2 |
|
2.5 |
3.75 |
2.75 |
2.5 |
0.15-1.6 |
四、200X法蘭減壓閥主要零件材料:
|
零件名稱 |
零件材料 |
|
閥體 閥蓋 |
WCB |
|
閥座 閥盤 |
銅合金 |
|
密封圈 O型圈 |
丁腈橡膠 |
|
閥桿 |
2Cr13 |
|
彈簧 |
50CrVA |
|
針型閥 |
銅合金 |
|
球閥 |
銅合金 |
|
導閥 |
銅合金 |
|
微型過濾器 |
不銹鋼 |
五、200X法蘭減壓閥連接尺寸(PN1.0-2.5MPa)
|
公稱通徑DN |
L |
H |
H1 |
A |
B |
|
50 |
250 |
335 |
90 |
170 |
170 |
|
65 |
280 |
345 |
98 |
180 |
180 |
|
80 |
310 |
355 |
110 |
190 |
190 |
|
100 |
350 |
365 |
120 |
200 |
200 |
|
125 |
400 |
445 |
145 |
215 |
215 |
|
150 |
450 |
460 |
155 |
230 |
230 |
|
200 |
550 |
505 |
190 |
255 |
255 |
|
250 |
650 |
550 |
250 |
295 |
295 |
|
300 |
800 |
710 |
290 |
325 |
325 |
|
350 |
900 |
725 |
330 |
380 |
380 |
|
400 |
1000 |
760 |
360 |
415 |
415 |
|
450 |
1000 |
810 |
445 |
435 |
435 |
|
500 |
1100 |
865 |
495 |
460 |
460 |
|
600 |
1100 |
935 |
550 |
520 |
520 |
|
700 |
1450 |
1000 |
605 |
570 |
570 |
|
800 |
1560 |
1100 |
730 |
620 |
620 |
|
900 |
1800 |
1205 |
800 |
670 |
670 |
|
1000 |
2000 |
1330 |
910 |
830 |
830 |
六、200X法蘭減壓閥訂貨說明:
1、①產品名稱與型號②公稱直徑③閥體材質④公稱壓力⑤使用介質⑥連接法蘭標準⑦使用溫度⑧額定流量系數⑨是否帶附件以便我們的為您正確選型。
2、如有特殊要求時請在訂購產品時注明
3、若已經由設計單位選定的型號,請按型號直接向我司銷售部訂購。
4、當使用的場合非常重要或環境比較復雜時,請您盡量提供設計圖。
