詳細內容:
一、DSBP741X低阻力倒流防止器用途:
DSBP741X低阻力倒流防止器用于防止生飲用水管道發生回流污染的安全裝置,是我公司引進國外先進技術自行研制開閥的、安全可靠、防止飲用水回流污染的新代水力控制閥閥門,以確保生活飲用水的衛生和安全。主要由閥體、閥蓋、閥瓣、密封墊、彈簧等組。防倒流止回閥填補國內閥門領域的空白。

二、DSBP741X低阻力倒流防止器適用范圍:
城建、化工、冶金、石油、制藥、食品、飲料、環保。使用壓力:1.0MPa,1.6MPa 使用介質:潔凈水 介質溫度:≤80℃
三、DSBP741X低阻力倒流防止器安裝要求:
1. 倒流防止器必須水平安裝,安裝地點環境應清潔,有足夠的維護空間,安全型倒流防止器配有空氣隔阻器,其出口必須接至排水管網或下水道中。
2. 安裝地域應設排水設施。
3. 閥前應裝閘閥(蝶閥)過濾器及橡膠軟接頭(或伸縮器),閥后裝閘閥(蝶閥)。
四、DSBP741X低阻力倒流防止器工作原理:
DSBP741X低阻力倒流防止器是在閥門系統增設一個排水泄壓裝置,這樣即使二級止回密封同時破壞,其也能起到防止回流污染的作用。其工作原理:
(1)正常供水:
a. 清潔市政生活水從第一級止回閥經過排水器到第二級止回閥出口向用戶供水,第一級止回閥進口高壓水通過高壓軟管進入排水器隔膜上腔,而隔膜下腔與第一級止回閥出口(第二級止回閥進口)相通,由于其存在一定的壓差ΔP1=0.035MPa,推動閥瓣下移,排水器關閉,倒流防止器正常供水;
b. 當閥后管路無用戶,水靜止。如進口壓力保持不變,其前后存在壓差ΔP1=0.035MPa,排水器仍呈關閉狀態,如進口壓力下降,中間腔和閥前壓差ΔP1≤0.022MPa時,則排水器控制彈簧推開閥芯,打開排水器讓中間腔排水,使ΔP1保持在0.035MPa;
(2)密封失靈時:
a. DSBP741X低阻力倒流防止器之后管網壓力升高,超過閥前進口壓力時,如第二止回閥密封完好無滲漏,高壓水不會倒流,排水器隔膜上下保持原來壓差,排水器關閉,不泄壓。當第二級止回閥密封破壞產生滲漏,第二級止回閥之前壓力升高,造成排水器隔膜上下壓差減小,排水器打開,排水泄壓;此時,如第一級止回閥同時密封破壞,由于第二級止回閥倒流回的高壓水已泄壓減壓,故不會倒流回第一級止回閥。
b. 當閥后壓力高于閥前壓力時,如供水壓力不斷下降,則排水器隔膜上部壓力下降,安全排水器控制彈簧推動閥芯打開排水器排水。當進口壓力下降至零或負壓時,排水器完全打開,水排出,空氣從排水器進入真空腔,從而防止產生虹吸倒流現象。
(3)本閥開啟壓力≤0.07MPa,規范規定在0.06~0.1MPa范圍內,進水口止回閥工作壓差為0.035MPa。
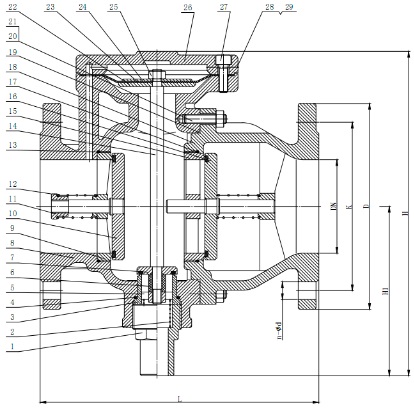
五、DSBP741X低阻力倒流防止器結構與主要零部件
|
序號 |
零件名稱 |
材質 |
序號 |
零件名稱 |
材質 |
序號 |
零件名稱 |
材質 |
|
1 |
泄水接頭 |
304 |
11 |
彈簧座 |
304 |
21 |
六角螺母 |
304 |
|
2 |
泄水彈簧 |
304 |
12 |
彈簧 |
304 |
22 |
膜片下壓板 |
304 |
|
3 |
泄水閥座 |
304 |
13 |
O型圈 |
EPDM |
23 |
膜片 |
EPDM |
|
4 |
O型圈 |
EPDM |
14 |
閥桿 |
304 |
24 |
膜片上壓板 |
304 |
|
5 |
導葉螺母 |
304 |
15 |
后止回閥閥座 |
304 |
25 |
六角螺母 |
304 |
|
6 |
隔套 |
PTFE |
16 |
后止回閥閥盤 |
304+EPDM |
26 |
閥蓋 |
QT450-10 |
|
7 |
泄水閥瓣 |
304 |
17 |
O型圈 |
EPDM |
27 |
內六角螺釘 |
304 |
|
8 |
主閥體 |
QT450-10 |
18 |
副閥體 |
QT450-10 |
28 |
六角螺絲 |
304 |
|
9 |
前止回閥閥座 |
304 |
19 |
O型圈 |
EPDM |
29 |
橡膠墊 |
EPDM |
|
10 |
前止回閥閥盤 |
304+EPDM |
20 |
雙頭螺栓 |
304 |
|
|
|
六. DSBP741X低阻力倒流防止器性能和特性

六. DSBP741X低阻力倒流防止器安裝方式
